网站首页
关于我们
关于我们
公司简介
企业文化
荣誉资质
产品展示
产品展示
箱式变电站系列
高压成套设备系列
电缆分支箱系列
低压成套设备系列
柱上断路器系列
新闻资讯
新闻资讯
行业动态
公司新闻
联系我们
131 5778 0818
产品展示
PRODUCTS
产品分类
OUR PRODUCTS
箱式变电站系列
高压成套设备系列
电缆分支箱系列
低压成套设备系列
柱上断路器系列
您现在的位置:
首页
>
产品展示
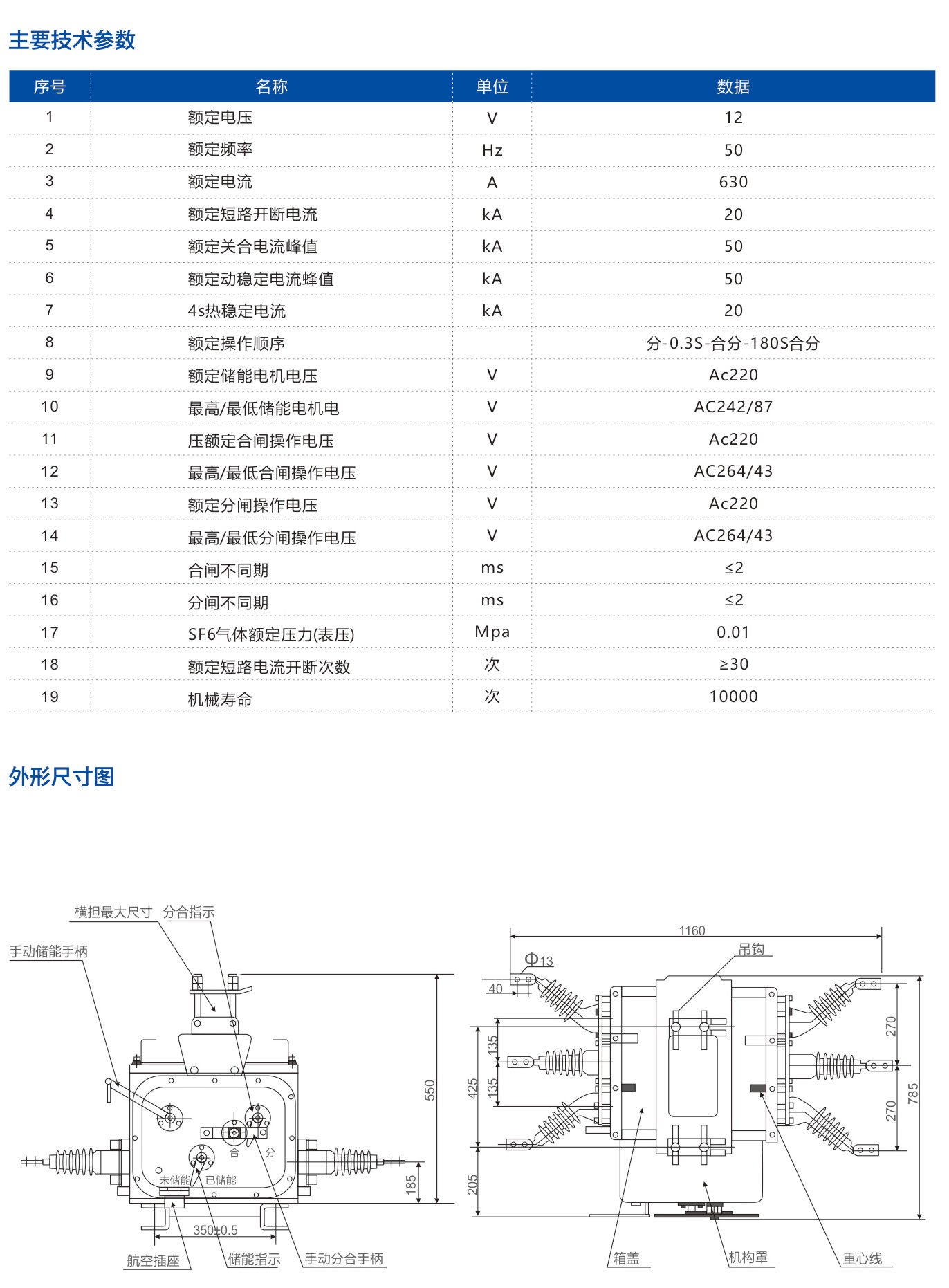
ZW20-12F智能型真空断路器(看门狗)
联系我们
返回列表
产品详情
131 5778 0818
全国统一服务热线